◆ মডেল: YC40 YC50 YC60 YC75 YC100 YC150
◆ ব্যবহার: এই সিরিজের যন্ত্রগুলি বিস্ফোরণ বিপদ, স্ফটিককরণ বা জাহাজ এবং সম্পর্কিত সরঞ্জামগুলিতে দৃ ification ়করণ ছাড়াই তরল, গ্যাস, বাষ্প এবং অন্যান্য তরল মিডিয়াগুলির চাপ পরিমাপের জন্য উপযুক্ত।
এই সিরিজের যন্ত্রগুলির ডায়ালের মূল স্কেল এবং পয়েন্টারের সামনের প্রান্তে সক্রিয় বা প্যাসিভ স্থায়ী আলোকিত এজেন্টের সাথে লেপযুক্ত, তাই চাপের মানটি অন্ধকারে পরিষ্কারভাবে পড়া যায়।
এই সিরিজের যন্ত্রগুলির শেলটি পুরোপুরি সিল করা হয়েছে এবং সমুদ্রের জলের জারাগুলির একটি নির্দিষ্ট প্রতিরোধের রয়েছে, এইভাবে যন্ত্রের অভ্যন্তরীণ উপাদানগুলি তরঙ্গ এবং সমুদ্রের জল দ্বারা ক্ষতি এবং জারা থেকে রক্ষা করে।
সমুদ্রের খারাপ আবহাওয়া এবং মাঝারি চাপের পালসেশন দ্বারা সৃষ্ট কাজের পরিবেশের কম্পনকে প্রতিহত করার ক্ষমতা সহ এই শেলটিতে কম-সান্দ্রতা স্যাঁতসেঁতে তেল দিয়ে ভরাট করা যেতে পারে।
এই সিরিজের যন্ত্রগুলি মূলত অফশোর শিপিং, অফশোর তেল ও গ্যাস ক্ষেত্র, অফশোর ড্রিলিং প্ল্যাটফর্ম, সামুদ্রিক খনির, অভ্যন্তরীণ নেভিগেশন এবং অন্যান্য শিল্পগুলিতে ব্যবহৃত হয়
◆ প্রযুক্তিগত পরামিতি :
| মডেল নম্বর | Ylm60 | Ylm100 | Ylm150 | |
| নামমাত্র ব্যাস | Φ 60 | Φ 100 | Φ 150 | |
| মাউন্টিং টাইপ | Ⅰ | * | * | * |
| Ⅱ | * | * | * | |
| Ⅲ | * | / | / | |
| Ⅳ | * | * | * | |
| Ⅴ | * | / | / | |
| Ⅵ | * | * | * | |
| সংযোগকারী থ্রেড | এম 14 × 1.5 | এম 20 × 1.5 | ||
| নির্ভুলতা শ্রেণি | 2.5 | 1.6 | ||
| পরিমাপের ব্যাপ্তি ০ এমপিএ ) | খালি : -0.1 ~ 0 চাপ ভ্যাকুয়াম : -0.1 ~ 0.06 -0.1 ~ 0.15 -0.1 ~ 0.3 -0.1 ~ 0.5 -0.1 ~ 0.9 -0.1 ~ 1.5 -0.1 ~ 2.4 চাপ : 0 ~ 0.1 0 ~ 0.16 0 ~ 0.25 0 ~ 0.4 0 ~ 0.6 0 ~ 1 0 ~ 1.6 0 ~ 2.5 0 ~ 4 0 ~ 6 0 ~ 10 0 ~ 16 0 ~ 25 0 ~ 40 0 ~ 60 0 ~ 100 、 0 ~ 160 、 0 ~ 250 |
| ব্যবহারের পরিবেশগত শর্ত | টেম্প : -40 ℃~ 70 ℃ |
| কম্পন রেটিং | সাধারণ প্রকার : V · এইচ · 3 ; সিসমিক টাইপ (তরল ভরা টাইপ) : V · এইচ · 4 |
| বোর্ডেন টিউব উপাদান | কিউএসএন 4-0.3 、 Ocr18ni12mo2ti |
| কেস এবং সংযোগকারী উপাদান | 1cr18ni9ti ; Sus304 |
| সুরক্ষা শ্রেণি | আইপি 65 |
| বাস্তবায়ন মান | জিবি/টি 1226 ; জেবি/টি 6804 |
| দ্রষ্টব্য: 1। যৌথ থ্রেডগুলি ব্যবহারকারীর প্রয়োজনীয়তা অনুসারে কাস্টমাইজ করা যায় | |
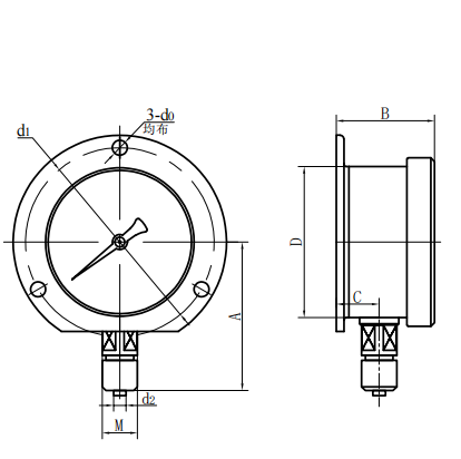
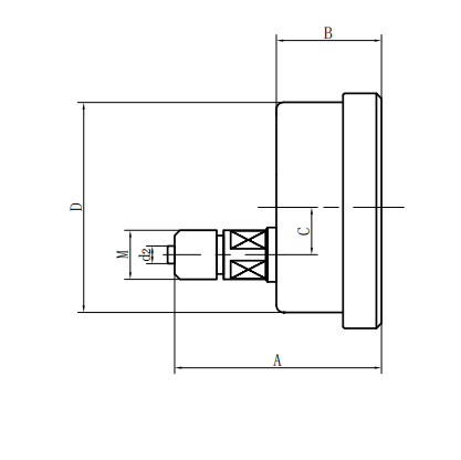
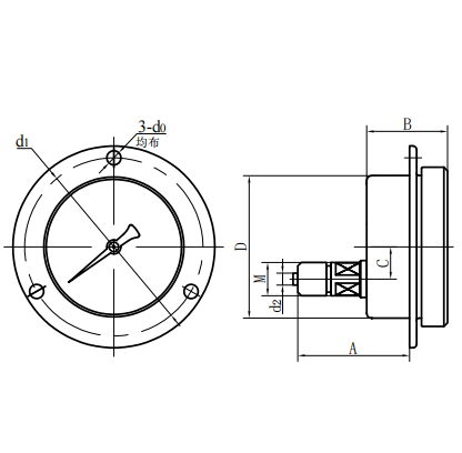
◆ বাহ্যিক মাত্রা:
| রেডিয়াল ডাইরেক্ট টাইপ (ⅰ) | অক্ষীয় এক্সেন্ট্রিক ডাইরেক্ট টাইপ (ⅱ) |
| অক্ষীয় কেন্দ্রীভূত সরাসরি প্রকার (iii) | অক্ষীয় এক্সেন্ট্রিক সন্নিবেশ প্রকার (iv) |
| অক্ষীয় কেন্দ্রীভূত সন্নিবেশ প্রকার (v) | রেডিয়াল উত্তল প্রকার (vi) |
| মডেল নম্বর | সামগ্রিক মাত্রা (মিমি) | |||||||
| ক | খ | গ | ডি | ডি 0 | ডি 1 | ডি 2 | মি | |
| Yc60- Ⅰ | 56 | 33 | 11 | Φ 60 | / | / | Φ 5 | এম 14 × 1.5 |
| Yc60- Ⅱ | 61 | 32.5 | 18 | Φ 60 | / | / | Φ 5 | |
| Yc60- Ⅲ | 61 | 32.5 | / | Φ 60 | / | / | Φ 5 | এম 14 × 1.5 |
| Yc60- Ⅳ | 55 | 32.5 | 18 | Φ 60 | Φ 5 | Φ 75 | Φ 5 | |
| Yc60- Ⅴ | 55 | 32.5 | / | Φ 60 | Φ 5 | Φ 75 | Φ 5 | এম 14 × 1.5 |
| Yc60- Ⅵ | 56 | 33 | 11 | Φ 60 | Φ 5 | Φ 75 | Φ 5 | এম 14 × 1.5 |
| Yc100- Ⅰ | 90 | 48 | 15 | Φ 100 | / | / | Φ 6 | এম 20 × 1.5 |
| Yc100- Ⅱ | 83 | 44 | 34 | Φ 100 | / | / | Φ 6 | এম 20 × 1.5 |
| Yc100- Ⅳ | 68 | 44 | 34 | Φ 100 | Φ 6 | Φ 118 | Φ 6 | এম 20 × 1.5 |
| Yc100- Ⅵ | 90 | 48 | 15 | Φ 100 | Φ 6 | Φ 118 | Φ 6 | এম 20 × 1.5 |
| Yc150- Ⅰ | 117 | 51 | 16.5 | Φ 150 | / | / | Φ 6 | এম 20 × 1.5 |
| Yc150- Ⅱ | 92 | 52 | 55 | Φ 150 | / | / | Φ 6 | এম 20 × 1.5 |
| Yc150- Ⅳ | 69 | 52 | 55 | Φ 150 | Φ 6 | Φ 165 | Φ 6 | এম 20 × 1.5 |
| Yc150- Ⅵ | 117 | 53 | 28 | Φ 150 | Φ 6 | Φ 165 | Φ 6 | এম 20 × 1.5 |


















