◆ মডেল: ylm60 ylm100 ylm150
◆ অ্যাপ্লিকেশন: এই সিরিজের যন্ত্রগুলি হ'ল কম তাপমাত্রা বা বিশেষ রেফ্রিজারেন্ট মাধ্যম সনাক্তকরণের জন্য বিশেষ যন্ত্র, যা মূলত শীতাতপ নিয়ন্ত্রণ ব্যবস্থা, জল চিলার, এয়ার ড্রায়ার বা ফ্রিজে মিটার গ্রুপ সিস্টেমকে একত্রিত করে।
এটি গ্রাহকদের প্রয়োজনীয়তা অনুসারে বিভিন্ন রেফ্রিজারেন্ট মাল্টি-লেবেলিং প্যানেলও তৈরি করতে পারে এবং গ্রাহকদের চয়ন করার জন্য বিভিন্ন ধরণের ক্যাপ এবং কেস (সুইস স্টাইল) রয়েছে।
ওয়েল্ডিং উপকরণ এবং চাপ সংবেদনের উপাদানগুলির নির্বাচনের ক্ষেত্রে অনুকূলিত সংযোগকারী নকশা এবং বিশেষ বিবেচনার কারণে, এই সিরিজের পণ্যগুলির অ্যান্টি-ফুটো, অ্যান্টি-চাপের পালস এবং অ্যান্টি-ভাইব্রেশনগুলির দুর্দান্ত বৈশিষ্ট্য রয়েছে, সুতরাং উপকরণের গুণমানটি ব্যাপকভাবে উন্নত করা হয়েছে, এবং পণ্য মানের সমস্যাগুলির কারণে রেফ্রিজারেশন সিস্টেমের ক্ষতি এবং ক্ষতি হ্রাস করা হয়েছে।
◆ প্রযুক্তিগত পরামিতি :
| মডেল নম্বর | Ylm60 | Ylm100 | Ylm150 | |
| নামমাত্র ব্যাস | Φ 60 | Φ 100 | Φ 150 | |
| মাউন্টিং টাইপ | Ⅰ | * | * | * |
| Ⅱ | * | * | * | |
| Ⅲ | * | / | / | |
| Ⅳ | * | * | * | |
| Ⅴ | * | / | / | |
| Ⅵ | * | * | * | |
| সংযোগকারী থ্রেড | এম 14 × 1.5 | এম 20 × 1.5 | ||
| নির্ভুলতা শ্রেণি | 2.5 | 1.6 | ||
| পরিমাপের ব্যাপ্তি ০ এমপিএ ) | কম ভোল্টেজ : (- 30 ~ 0 …… 15 ) কেজি , 1.8 এমপিএ নিপীড়ক : 0 ~ 35 ) কেজি , 3.8 এমপিএ | |||
| মিডিয়া টাইপ স্পেসিফিকেশন | R134a 、 আর 22 এ 、 R404a 、 R407a | |||
| ব্যবহারের পরিবেশগত শর্ত | টেম্প : -20 ℃~ 60 ℃; আপেক্ষিক আর্দ্রতা : ≤ 80 % | |||
| কম্পন রেটিং | V · এইচ · 3 | |||
| সুরক্ষা শ্রেণি | IP54 | |||
| বাস্তবায়ন মান | জিবি/টি 1226 | |||
| দ্রষ্টব্য: 1। যৌথ থ্রেডগুলি ব্যবহারকারীর প্রয়োজনীয়তা অনুসারে কাস্টমাইজ করা যায় | ||||
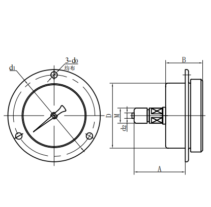
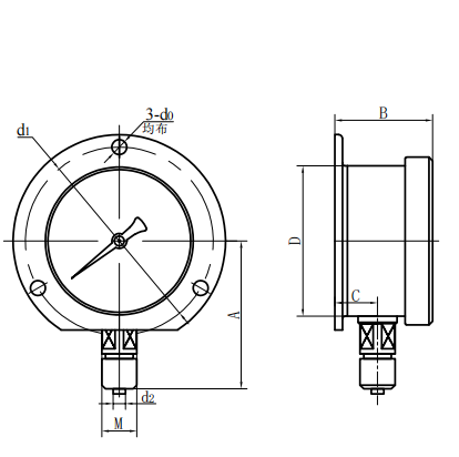
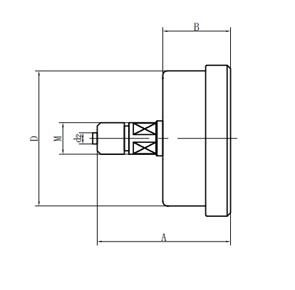
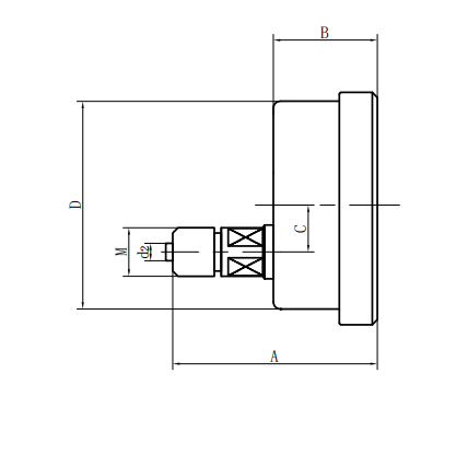
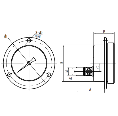
◆ বাহ্যিক মাত্রা:
| রেডিয়াল ডাইরেক্ট টাইপ (ⅰ) | অক্ষীয় এক্সেন্ট্রিক ডাইরেক্ট টাইপ (ⅱ) |
| অক্ষীয় কেন্দ্রীভূত সরাসরি প্রকার (iii) | অক্ষীয় এক্সেন্ট্রিক সন্নিবেশ প্রকার (iv) |
| অক্ষীয় কেন্দ্রীভূত সন্নিবেশ প্রকার (v) | রেডিয়াল উত্তল প্রকার (vi) |
| মডেল নম্বর | সামগ্রিক মাত্রা ০ মিমি ) | |||||||
| ক | খ | গ | ডি | ডি 0 | ডি 1 | ডি 2 | মি | |
| Ylm60 -Ⅰ | 56 | 33 | 11 | Φ 60 | / | / | Φ 5 | এম 14 × 1.5 |
| Ylm60 -Ⅱ | 61 | 32.5 | 18 | Φ 60 | / | / | | |
| Ylm60 -Ⅲ | 61 | 32.5 | / | Φ 60 | / | / | Φ 5 | এম 14 × 1.5 |
| Ylm60 -Ⅳ | 55 | 32.5 | 18 | Φ 60 | Φ 5 | Φ 75 | | |
| Ylm60 -Ⅴ | 55 | 32.5 | / | Φ 60 | Φ 5 | Φ 75 | Φ 5 | এম 14 × 1.5 |
| Ylm60 -Ⅵ | 56 | 33 | 11 | Φ 60 | Φ 5 | Φ 75 | Φ 5 | এম 14 × 1.5 |
| Ylm100 -Ⅰ | 90 | 48 | 15 | Φ 100 | / | / | Φ 6 | এম 20 × 1.5 |
| Ylm100 -Ⅱ | 83 | 44 | 34 | Φ 100 | / | / | Φ 6 | এম 20 × 1.5 |
| Ylm100 -Ⅳ | 68 | 44 | 34 | Φ 100 | Φ 6 | Φ 118 | Φ 6 | এম 20 × 1.5 |
| Ylm100 -Ⅵ | 90 | 48 | 15 | Φ 100 | Φ 6 | Φ 118 | Φ 6 | এম 20 × 1.5 |
| Ylm150 -Ⅰ | 117 | 51 | 16.5 | Φ 150 | / | / | Φ 6 | এম 20 × 1.5 |
| Ylm150 -Ⅱ | 92 | 52 | 55 | Φ 150 | / | / | Φ 6 | এম 20 × 1.5 |
| Ylm150 -Ⅳ | 69 | 52 | 55 | Φ 150 | Φ 6 | Φ 165 | Φ 6 | এম 20 × 1.5 |
| Ylm150 -Ⅵ | 117 | 53 | 28 | Φ 150 | Φ 6 | Φ 165 | Φ 6 | এম 20 × 1.5 |


















