◆ মডেল: yg60 yg100 yg150
◆ ব্যবহার: এই সিরিজের গেজগুলির সমস্ত অংশ স্টেইনলেস স্টিল দিয়ে তৈরি এবং মূল অংশগুলি 1CR18NI9, OCR18NI12MO2TI, SUS316, SUS316L ইত্যাদি দিয়ে তৈরি করা হয় প্রতিটি অংশের ld ালাই একটি বিশেষ প্রক্রিয়া দ্বারা তৈরি করা হয়। এর মধ্যে, জারা-প্রতিরোধী উচ্চ-তাপমাত্রার চাপ গেজের মধ্যে ক্ষয়কারী পরিবেশের জন্য উপযুক্ত, উচ্চ-তাপমাত্রা এবং জারা-প্রতিরোধী পারফরম্যান্স রয়েছে, দুর্বল ক্ষয়কারী সনাক্ত করতে পারে, তবে স্ফটিককরণ, অ-বিবেচনা, কম সান্দ্রতা উচ্চ-তাপমাত্রার মিডিয়া নয়। পেট্রোলিয়াম, রাসায়নিক, কীটনাশক, রাবার, প্রাকৃতিক গ্যাস এবং অন্যান্য শিল্পগুলিতে ব্যাপকভাবে ব্যবহৃত
◆ প্রযুক্তিগত পরামিতি :
| মডেল নম্বর | Yg60 | Yg100 | Yg150 | ||
| নামমাত্র ব্যাস | Φ 60 | Φ 100 | Φ 150 | ||
| মাউন্টিং টাইপ | Ⅰ | * | * | * | |
| Ⅱ | * | * | * | ||
| Ⅲ | * | / | / | ||
| Ⅳ | * | * | * | ||
| Ⅴ | * | / | / | ||
| Ⅵ | * | * | * | ||
| সংযোগকারী থ্রেড | এম 14 × 1.5 | এম 20 × 1.5 | |||
| নির্ভুলতা শ্রেণি | 2.5 | 1.6 | |||
| পরিমাপের ব্যাপ্তি ০ এমপিএ ) | খালি : -0.1 ~ 0 চাপ ভ্যাকুয়াম : -0.1 ~ 0.06 -0.1 ~ 0.15 -0.1 ~ 0.3 -0.1 ~ 0.5 -0.1 ~ 0.9 -0.1 ~ 1.5 -0.1 ~ 2.4 চাপ : 0 ~ 0.1 0 ~ 0.16 0 ~ 0.25 0 ~ 0.4 0 ~ 0.6 0 ~ 1 0 ~ 1.6 0 ~ 2.5 0 ~ 4 0 ~ 6 0 ~ 10 0 ~ 16 0 ~ 25 0 ~ 40 0 ~ 60 0 ~ 100 、 0 ~ 160 、 0 ~ 250 | ||||
| ব্যবহারের পরিবেশগত শর্ত | টেম্প : -40 ℃~ 70 ℃ | ||||
| তাপমাত্রা | সরাসরি ইনস্টলেশন : ≤ 150 ℃ | ||||
| তাপমাত্রা : ≤ 500 ℃ | |||||
| তাপমাত্রা প্রভাব ত্রুটি | Δ = ± (δ কে Δ টি ) Δ—— যখন পরিবেষ্টিত তাপমাত্রা 20 ℃ ± 5 ℃ থেকে বিচ্যুত হয় তখন ডিসপ্লে মান ত্রুটির অনুমতিযোগ্য মান এবং যখন পরিবেষ্টিত তাপমাত্রা 20 ℃ ± 5 ℃ থেকে বিচ্যুত হয় তখন ডিসপ্লে মান ত্রুটির অনুমতিযোগ্য মান ℃ % Δ—— যন্ত্রের অভ্যন্তরীণ ত্রুটির নিখুঁত মান। % কে • 0.04%/° C এর মান সহ তাপমাত্রার প্রভাব সহগ Δ টি Ord বোর্দন টিউবটিতে মাধ্যমের টেম্পারেশন ℃ -25∣ | ||||
| কম্পন রেটিং | V · এইচ · 3 | ||||
| বোর্ডেন টিউব উপাদান | Ocr18ni12mo2ti ; SUS316 ; SUS316L | ||||
| আবাসন, সংযোগকারী উপাদান | 1cr18ni9ti ; Sus304 | ||||
| সুরক্ষা শ্রেণি | আইপি 65 | ||||
| বাস্তবায়ন মান | জিবি/টি 1226 | ||||
| দ্রষ্টব্য: 1। যৌথ থ্রেডগুলি ব্যবহারকারীর প্রয়োজনীয়তা অনুসারে কাস্টমাইজ করা যায় | |||||
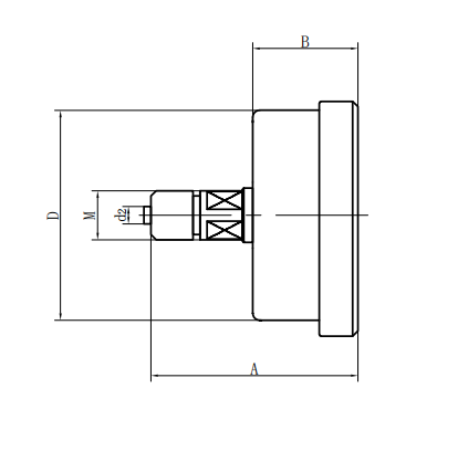
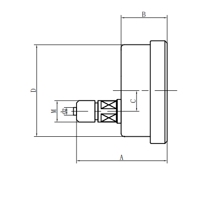
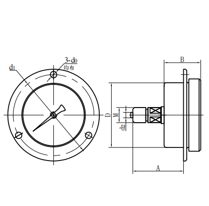
◆ বাহ্যিক মাত্রা:
| রেডিয়াল ডাইরেক্ট টাইপ (ⅰ) | অক্ষীয় এক্সেন্ট্রিক ডাইরেক্ট টাইপ (ⅱ) |
| অক্ষীয় কেন্দ্রীভূত সরাসরি প্রকার (iii) | অক্ষীয় এক্সেন্ট্রিক সন্নিবেশ প্রকার (iv) |
| অক্ষীয় কেন্দ্রীভূত সন্নিবেশ প্রকার (v) | রেডিয়াল উত্তল প্রকার (vi) |
| মডেল নম্বর | সামগ্রিক মাত্রা ০ মিমি ) | |||||||
| ক | খ | গ | ডি | ডি 0 | ডি 1 | ডি 2 | মি | |
| Yg60 -Ⅰ | 56 | 33 | 11 | Φ 60 | / | / | Φ 5 | এম 14 × 1.5 |
| Yg60 -Ⅱ | 61 | 32.5 | 18 | Φ 60 | / | / | Φ 5 | |
| Yg60 -Ⅲ | 61 | 32.5 | / | Φ 60 | / | / | Φ 5 | এম 14 × 1.5 |
| Yg60 -Ⅳ | 55 | 32.5 | 18 | Φ 60 | Φ 5 | Φ 75 | Φ 5 | |
| Yg60 -Ⅴ | 55 | 32.5 | / | Φ 60 | Φ 5 | Φ 75 | Φ 5 | এম 14 × 1.5 |
| Yg60 -Ⅵ | 56 | 33 | 11 | Φ 60 | Φ 5 | Φ 75 | Φ 5 | এম 14 × 1.5 |
| Yg100 -Ⅰ | 90 | 48 | 15 | Φ 100 | / | / | Φ 6 | এম 20 × 1.5 |
| Yg100 -Ⅱ | 83 | 44 | 34 | Φ 100 | / | / | Φ 6 | এম 20 × 1.5 |
| Yg100 -Ⅳ | 68 | 44 | 34 | Φ 100 | Φ 6 | Φ 118 | Φ 6 | এম 20 × 1.5 |
| Yg100 -Ⅵ | 90 | 48 | 15 | Φ 100 | Φ 6 | Φ 118 | Φ 6 | এম 20 × 1.5 |
| Yg150 -Ⅰ | 117 | 51 | 16.5 | Φ 150 | / | / | Φ 6 | এম 20 × 1.5 |
| Yg150 -Ⅱ | 92 | 52 | 55 | Φ 150 | / | / | Φ 6 | এম 20 × 1.5 |
| Yg150 -Ⅳ | 69 | 52 | 55 | Φ 150 | Φ 6 | Φ 165 | Φ 6 | এম 20 × 1.5 |
| Yg150 -Ⅵ | 117 | 53 | 28 | Φ 150 | Φ 6 | Φ 165 | Φ 6 | এম 20 × 1.5 |
















