◆ মডেল: y40 y50 y60 y75 y100 y150 y200 y250
◆ ব্যবহার: এই সিরিজের যন্ত্রগুলি তরল, গ্যাস বা বাষ্পের চাপ পরিমাপের জন্য উপযুক্ত যা বিস্ফোরণের কোনও বিপদ নেই, স্ফটিক দেয় না, দৃ ify ় হয় না এবং তামা এবং তামা খাদের উপর কোনও ক্ষয়কারী প্রভাব ফেলে না।
Practical বিভিন্ন মিডিয়ার বিশেষ বৈশিষ্ট্য অনুসারে (যেমন তেল নিষেধাজ্ঞা, আগুন প্রতিরোধ, জারা প্রতিরোধের ইত্যাদি) ব্যবহারিক প্রয়োগে, যন্ত্রের প্রয়োজনীয়তাগুলি আলাদা, সুতরাং এই সিরিজের যন্ত্রগুলির অনেকগুলি সংশ্লিষ্ট বিশেষ যন্ত্র, তাদের নামমাত্র ব্যাস, ইনস্টলেশন প্রকার, সংযোগকারী স্তর, যথার্থ স্তর, পরিমাপের পরিসীমা যেমন হয় এবং সাধারণভাবে সাধারণ হয়,
1.1 জ্বলনযোগ্য এবং বিস্ফোরক মিডিয়াগুলির চাপ পরিমাপের জন্য উপযুক্ত। চিটচিটে জ্বলনযোগ্য পদার্থের সাথে যোগাযোগ করা কঠোরভাবে নিষিদ্ধ। কারখানাটি ছাড়ার আগে অবনমিত চিকিত্সা করা হয় এবং এটি কোনও গ্রীসের জন্য পরীক্ষা করা হয়।
1.1.1 ইয়ো সিরিজ অক্সিজেন চাপ গেজ
1.1.2 ওয়াইএইচ সিরিজ হাইড্রোজেন চাপ গেজ
1.1.3 yy সিরিজ এসিটাইলিন চাপ গেজ
১.২ ব্যবহৃত উপকরণগুলি মাঝারি বা যন্ত্রের ক্ষয় থেকে প্রতিরোধী হয় মাঝারিটিতে কোনও প্রভাব নেই এবং এটি নিশ্চিত করে যে সনাক্তকারী উপাদান এবং ইন্টারফেসগুলি পরিষ্কার এবং গ্রীস মুক্ত।
1.2.1 ওয়াইএ সিরিজ অ্যামোনিয়া চাপ গেজ
1.2.2 ওয়াইডিকিউ সিরিজ নাইট্রোজেন চাপ গেজ
◆ প্রযুক্তিগত পরামিতি :
| মডেল নম্বর | Y40 | Y50 | Y60 | Y75 | Y100 | Y150 | Y200 | Y250 | |
| নামমাত্র ব্যাস | Φ 40 | Φ 50 | Φ 60 | Φ 75 | Φ 100 | Φ 150 | Φ 200 | Φ 250 | |
| ইনস্টলেশন ফর্ম | Ⅰ | * | * | * | * | * | * | * | * |
| Ⅱ | / | / | * | / | * | * | * | * | |
| Ⅲ | * | * | * | * | / | / | / | / | |
| Ⅳ | / | / | * | / | * | * | / | / | |
| Ⅴ | * | * | * | * | / | / | / | / | |
| Ⅵ | / | / | * | * | * | * | / | / | |
| সংযোগকারী থ্রেড | এম 10 × 1 | এম 14 × 1.5 | এম 20 × 1.5 | ||||||
| নির্ভুলতা শ্রেণি | 2.5 | 1.6 | |||||||
| পরিমাপের ব্যাপ্তি ০ এমপিএ ) | খালি : -0.1 ~ 0 চাপ ভ্যাকুয়াম : -0.1 ~ 0.06 -0.1 ~ 0.15 -0.1 ~ 0.3 -0.1 ~ 0.5 -0.1 ~ 0.9 -0.1 ~ 1.5 -0.1 ~ 2.4 চাপ : 0 ~ 0.1 0 ~ 0.16 0 ~ 0.25 0 ~ 0.4 0 ~ 0.6 0 ~ 1 0 ~ 1.6 0 ~ 2.5 0 ~ 4 0 ~ 6 0 ~ 10 0 ~ 16 0 ~ 25 0 ~ 40 0 ~ 60 0 ~ 100 0 ~ 160 | ||||||||
| ব্যবহারের পরিবেশগত শর্ত | টেম্প : -40 ℃~ 70 ℃ | ||||||||
| কম্পন রেটিং | V · এইচ · 3 | ||||||||
| বোর্ডেন টিউব উপাদান | কিউএসএন 4-0.3 | ||||||||
| সুরক্ষা শ্রেণি | IP54 、 আইপি 65 | ||||||||
| বাস্তবায়ন মান | জিবি/টি 1226 | ||||||||
| দ্রষ্টব্য: 1। যৌথ থ্রেডগুলি ব্যবহারকারীর প্রয়োজনীয়তা অনুসারে কাস্টমাইজ করা যায় | |||||||||
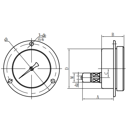
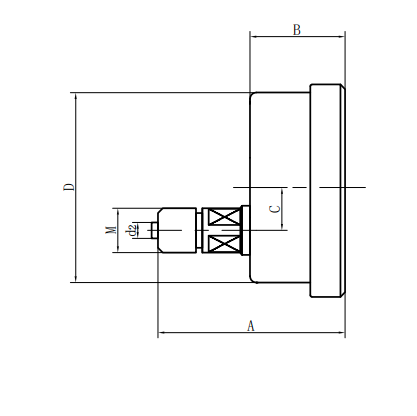
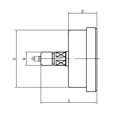
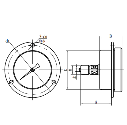
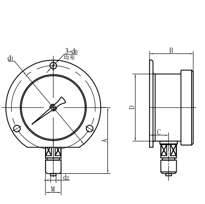
◆ বাহ্যিক মাত্রা:
| রেডিয়াল ডাইরেক্ট টাইপ (ⅰ) | অক্ষীয় এক্সেন্ট্রিক ডাইরেক্ট টাইপ (ⅱ) |
| অক্ষীয় কেন্দ্রীভূত সরাসরি প্রকার (iii) | অক্ষীয় এক্সেন্ট্রিক সন্নিবেশ প্রকার (iv) |
| অক্ষীয় কেন্দ্রীভূত সন্নিবেশ প্রকার (v) | রেডিয়াল উত্তল প্রকার (vi) |
| মডেল নম্বর | সামগ্রিক মাত্রা ( মিমি ) | |||||||
| ক | খ | গ | ডি | ডি 0 | ডি 1 | ডি 2 | মি | |
| Y40 -Ⅰ | 38 | 25 | 8.5 | Φ 41 | / | / | Φ 3.5 | এম 10 × 1 |
| Y40 -Ⅲ | 45 | 26 | / | Φ 41 | / | / | Φ 3.5 | এম 10 × 1 |
| Y40 -Ⅴ | 38 | 26 | / | Φ 41 | Φ 3.5 | Φ 53 | Φ 3.5 | এম 10 × 1 |
| Y50 -Ⅰ | 50 | 29 | 9.5 | Φ 52 | / | / | Φ 4 | এম 10 × 1 |
| Y50 -Ⅲ | 54 | 29 | / | Φ 52 | / | / | Φ 4 | এম 10 × 1 |
| Y50 -Ⅴ | 47 | 29 | / | Φ 52 | Φ 4 | Φ 64 | Φ 4 | এম 10 × 1 |
| Y60 -Ⅰ | 54 | 30 | 12 | Φ 60 | / | / | Φ 5 | এম 14 × 1.5 |
| Y60 -Ⅱ | 63 | 34 | 18 | Φ 60 | / | / | Φ 5 | এম 14 × 1.5 |
| Y60 -Ⅲ | 58 | 30 | / | Φ 60 | / | / | Φ 5 | এম 14 × 1.5 |
| Y60 -Ⅳ | 45 | 34 | 18 | Φ 60 | Φ 5 | Φ 75 | Φ 5 | এম 14 × 1.5 |
| Y60 -Ⅴ | 45 | 34 | / | Φ 60 | Φ 5 | Φ 75 | Φ 5 | এম 14 × 1.5 |
| Y60 -Ⅵ | 54 | 30 | 12 | Φ 60 | Φ 5 | Φ 75 | Φ 5 | এম 14 × 1.5 |
| Y75 -Ⅰ | 62 | 31 | 10 | Φ 75 | / | / | Φ 5 | এম 14 × 1.5 |
| Y75 -Ⅲ | 54 | 32 | / | Φ 75 | / | / | Φ 5 | এম 14 × 1.5 |
| Y75 -Ⅴ | 54 | 32 | / | Φ 75 | Φ 5 | Φ 91 | Φ 5 | এম 14 × 1.5 |
| Y75 -Ⅵ | 62 | 32 | 10 | Φ 75 | Φ 5 | Φ 91 | Φ 5 | এম 14 × 1.5 |
| Y100 -Ⅰ | 89 | 44 | 17 | Φ 100 | / | / | Φ 6 | এম 20 × 1.5 |
| Y100 -Ⅱ | 83 | 44 | 30 | Φ 100 | / | / | Φ 6 | এম 20 × 1.5 |
| Y100 -Ⅳ | 68 | 44 | 30 | Φ 100 | Φ 6 | Φ 118 | Φ 6 | এম 20 × 1.5 |
| Y100 -Ⅵ | 89 | 44 | 18 | Φ 100 | Φ 6 | Φ 118 | Φ 6 | এম 20 × 1.5 |
| Y150 -Ⅰ | 115 | 49 | 17 | Φ 150 | / | / | Φ 6 | এম 20 × 1.5 |
| Y150 -Ⅱ | 88 | 49 | 55 | Φ 150 | / | / | Φ 6 | এম 20 × 1.5 |
| Y150 -Ⅳ | 85 | 49 | 55 | Φ 150 | Φ 6 | Φ 165 | Φ 6 | এম 20 × 1.5 |
| Y150 -Ⅵ | 115 | 49 | 18 | Φ 150 | Φ 6 | Φ 165 | Φ 6 | এম 20 × 1.5 |
| Y200 -Ⅰ | 140 | 53 | 20 | Φ 200 | / | / | Φ 6 | এম 20 × 1.5 |
| Y200 -Ⅱ | 92 | 53 | 53 | Φ 200 | / | / | Φ 6 | এম 20 × 1.5 |
| Y250 -Ⅰ | 165 | 53 | 20 | Φ 250 | / | / | Φ 6 | এম 20 × 1.5 |
| Y250 -Ⅱ | 92 | 53 | 53 | Φ 250 | / | / | Φ 6 | এম 20 × 1.5 |

























