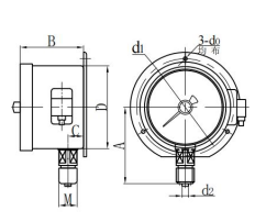
◆ মডেল: Ytx100b ytx150b
◆ ব্যবহারগুলি: এই সিরিজের যন্ত্রগুলি বিশেষভাবে দহনযোগ্য মিডিয়া এবং বিস্ফোরক মিশ্রণের বিপদগুলির আশেপাশের পরিবেশে ব্যবহৃত হয়, সংশ্লিষ্ট বৈদ্যুতিক ডিভাইসগুলির সাথে তরল এবং গ্যাসের চাপ পরিমাপ করে অ্যালার্ম বা স্বয়ংক্রিয় নিয়ন্ত্রণ এবং অন্যান্য ফাংশন অর্জন করতে পারে।
উপকরণটি একটি চৌম্বকীয় বৈদ্যুতিক যোগাযোগ গ্রহণ করে, যার মধ্যে বৃহত্তর সাকশন ফোর্স এবং নির্ভরযোগ্য যোগাযোগের বৈশিষ্ট্য রয়েছে।
এই যন্ত্রটি প্রয়োজনীয়তা মেনে চলে জিবি 3836.1-2010 "বিস্ফোরক বায়ুমণ্ডল - অংশ 1 : সরঞ্জামের জন্য সাধারণ প্রয়োজনীয়তা "এবং GB3836.2-2010 "বিস্ফোরক বায়ুমণ্ডল - অংশ 2 : ফ্লেমপ্রুফ ঘের দ্বারা সুরক্ষিত সরঞ্জাম " ডি "।
















