◆ মডেল: yn40 yn50 yn60 yn75 yn100 yn150
◆ ব্যবহার: এই সিরিজের যন্ত্রগুলির ভাল শক প্রতিরোধের রয়েছে, বিশেষত পরিবেশগত যন্ত্রপাতিগুলির শক্তিশালী কম্পনের জন্য উপযুক্ত জায়গাগুলির জন্য উপযুক্ত এবং এটি সহিংস পালসেশন, শক এবং হঠাৎ মাঝারি চাপের আনলোডিং সহ্য করতে পারে। এটি তরল, গ্যাস বা বাষ্পের চাপ পরিমাপের জন্য উপযুক্ত যা বিস্ফোরণের কোনও ঝুঁকি নেই, স্ফটিক দেয় না, দৃ ify ় হয় না এবং তামা এবং তামা খাদে কোনও ক্ষয়কারী প্রভাব ফেলে না। যন্ত্রটি স্থিতিশীল এবং পরিষ্কার পাঠক নির্দেশ করে। এটি ভারী যন্ত্রপাতি, খনির, পেট্রোলিয়াম, রাসায়নিক শিল্প, ধাতুবিদ্যা, বৈদ্যুতিক শক্তি এবং অন্যান্য বিভাগগুলিতে ব্যাপকভাবে ব্যবহৃত হয়।
Practical ব্যবহারিক প্রয়োগে, বিভিন্ন মিডিয়াগুলির বিশেষ বৈশিষ্ট্য অনুসারে (যেমন তেল নিষেধাজ্ঞা, ফায়ারপ্রুফ, জারা-প্রতিরোধী ইত্যাদি), যন্ত্রের প্রয়োজনীয়তাগুলি আলাদা, সুতরাং এই সিরিজের যন্ত্রগুলির অনেকগুলি সংশ্লিষ্ট বিশেষ যন্ত্র, তাদের নামমাত্র ব্যাস, সংযোগকারী থ্রেড, নির্ভুলতা স্তর, পরিমাপের পরিসীমা ইত্যাদি একই রকমের (শক) একই রকম রয়েছে:
২.১ জ্বলনযোগ্য এবং বিস্ফোরক মিডিয়াগুলির চাপ পরিমাপের জন্য উপযুক্ত। চিটচিটে জ্বলনযোগ্য পদার্থের সাথে যোগাযোগ করা কঠোরভাবে নিষিদ্ধ। কারখানাটি ছাড়ার আগে অবনমিত চিকিত্সা করা হয় এবং গ্রীস থেকে মুক্ত হওয়ার জন্য পরীক্ষা করা হয়।
2.1.1 ইওন সিরিজ শক-প্রতিরোধী (সিসমিক) অক্সিজেন চাপ গেজ
2.1.2 ওয়াইএনএইচ সিরিজ শক-প্রতিরোধী (সিসমিক) হাইড্রোজেন চাপ গেজ
2.1.3 শক-প্রতিরোধী (শক) এসিটাইলিন চাপ গেজের ইয়েন সিরিজ
২.২ ব্যবহৃত উপকরণগুলি মাঝারি বা যন্ত্রের ক্ষয় থেকে প্রতিরোধী হয় মাঝারিটিতে কোনও প্রভাব ফেলে না এবং সনাক্তকরণের উপাদানগুলি এবং ইন্টারফেসগুলি পরিষ্কার এবং গ্রীস মুক্ত কিনা তা নিশ্চিত করার জন্য।
২.২.১ শক-প্রতিরোধী (শক) অ্যামোনিয়া চাপ গেজের ইয়ান সিরিজ
2.2.2 ydqn সিরিজ শক-প্রতিরোধী (শক) নাইট্রোজেন চাপ গেজ
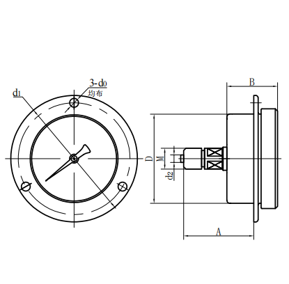
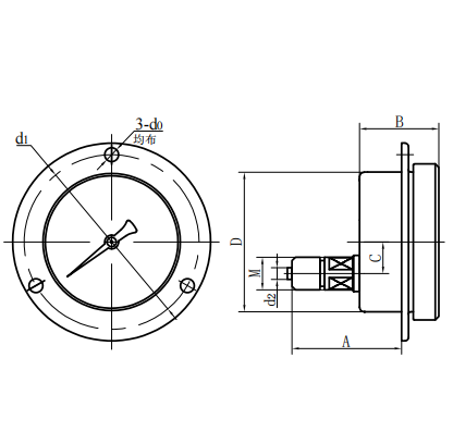
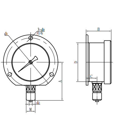
ওয়াইএন সিরিজ শক-প্রুফ চাপ গেজ
মডেল: 40 মিমি (1.5 "), 50 মিমি (2"), 60 মিমি (2.5 "), 100 মিমি (4"), 150 মিমি (6 ")
ভূমিকা:
যন্ত্রগুলির সিরিজের দুর্দান্ত শক প্রতিরোধের, স্থিতিশীল ইঙ্গিত, পরিষ্কার পাঠক রয়েছে এবং তীব্র যান্ত্রিক কম্পনযুক্ত জায়গাগুলিতে ব্যবহারের জন্য বিশেষভাবে উপযুক্ত। তারা মিডিয়ামের কঠোর পালসেশন, প্রভাব এবং হঠাৎ লোড হ্রাস সহ্য করতে পারে it এর স্থিতিস্থাপকতা এবং নির্ভুলতার কারণে এটি বিভিন্ন শিল্পে ব্যাপকভাবে ব্যবহৃত হয়



















































































































