◆ প্রযুক্তিগত পরামিতি:
| মডেল | সাইবি 100 | সাইবি 150 |
| নামমাত্র ব্যাস | Φ 100 | Φ 150 |
| মাউন্টিং টাইপ | রেডিয়াল উত্তল মাউন্ট সমান্তরাল ইন্টারফেস | * | * |
| রেডিয়াল উত্তল মাউন্ট আট-চরিত্রের ইন্টারফেস | / | * |
| এক্সেন্ট্রিক এক্সেন্ট্রিক ফ্লাশ টাইপ | / | * |
| পরিমাপ পরিসীমা | ডিফারেনশিয়াল চাপ পরিমাপ পরিসীমা কেপিএ | নামমাত্র কাজের চাপ কেপিএ | ডিফারেনশিয়াল চাপ পরিমাপ পরিসীমা এমপিএ | নামমাত্র কাজের চাপ এমপিএ |
| 0 ~ 10 | 60 | 0 ~ 0.16 | 1 |
| 0 ~ 16 | 100 | 0 ~ 0.25 | 1.6 |
| 0 ~ 25 | 160 | 0 ~ 0.4 | 2.5 |
| 0 ~ 40 | 250 | 0 ~ 0.6 | 4 |
| 0 ~ 60 | 400 | 0 ~ 1 | 6 |
| 0 ~ 100 | 600 | 0 ~ 1.6 | 10 |
| | | 0 ~ 2.5 | 10 |
| নির্ভুলতা শ্রেণি | 2.5 |
| ফিটিং থ্রেড | এম 20 × 1.5 |
| পরিবেষ্টিত তাপমাত্রা ব্যবহার করুন | -40 ℃~ 70 ℃ |
| ব্যবহারের জন্য মাধ্যমের তাপমাত্রা | ≤ 60 ℃ |
| কম্পন প্রতিরোধের রেটিং | V · এইচ · 3 |
| ঘের রেটিং | IP54 |
| ওজন | প্রায় 1.0 কেজি |
| আবেগ সিস্টেমের উপাদান | 0CR17NI12MO2 、 SUS316 |
| কেসিং এবং অন্যান্য উপকরণ | 1cr18ni9 、 Sus304 |
| মান প্রয়োগ করুন | জেবি/টি 12015-2014 |
| দ্রষ্টব্য: 1 । যৌথ থ্রেড ব্যবহারকারীর প্রয়োজনীয়তা অনুযায়ী কাস্টমাইজ করা যেতে পারে |
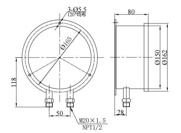
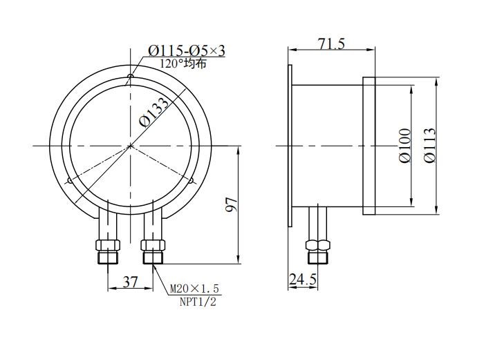
◆ উপস্থিতি এবং ইনস্টলেশন আকার:
| সাইবি 100 সমান্তরাল ইন্টারফেস | সাইবি 150 সমান্তরাল ইন্টারফেস |
| সাইবি 150 বাজি ইন্টারফেস | সাইবি 150 অক্ষীয় উদ্দীপনা |
◆ কাঠামোগত নীতি:
যন্ত্রটি একটি ডাবল বোর্দন টিউব কাঠামো গ্রহণ করে, অর্থাৎ দুটি বোর্দন টিউব "আই" ব্র্যাকেটের উভয় পক্ষের প্রতিসম অবস্থানে ইনস্টল করা হয়। "আমি" বন্ধনীটির উপরের এবং নীচের অংশগুলি যথাক্রমে অস্থাবর প্রান্ত এবং স্থির প্রান্তটি যথাক্রমে, এবং মাঝারিটি একটি বসন্তের টুকরো দ্বারা সংযুক্ত রয়েছে: দুটি বোর্দন টিউবগুলি একটি সমান্তরাল অবস্থায় রয়েছে, এবং যথাক্রমে রডের সাথে সংযুক্ত থাকে: গিয়ার ট্রান্সমিশনটি সরাসরি ব্র্যাকের সাথে সংযুক্ত করা হয়: গিয়ার ট্রান্সমিশনটি সরাসরি ব্র্যাকের সাথে সংযুক্ত করা হয় এবং সরাসরি ব্র্যাকের সাথে সংযুক্ত থাকে এবং সরাসরি ব্র্যাকের সাথে সংযুক্ত থাকে এবং সরাসরি ব্র্যাকের সাথে সংযুক্ত থাকে গিয়ার সংক্রমণ প্রক্রিয়া।
◆ কার্যনির্বাহী নীতি: প্রেসার সেন্সিং উপাদানটির উপর ভিত্তি করে, একই কঠোরতাযুক্ত দুটি বোর্দন টিউব ব্যবহার করা হয়, তাই তারা যথাক্রমে অস্থাবর বন্ধনীটিতে কাজ করার জন্য একই পরিমাপকৃত মাধ্যমের অধীনে একই ঘনীভূত শক্তি উত্পাদন করতে বাধ্য হয় যথাক্রমে, কারণটি সমষ্টিগতভাবেই কাজ করে না, তাই ব্র্যাকটটি তাই না, তাই ব্র্যাকটটি তাই হয় না, তাই ব্র্যাকটটি তাই হয়, তাই ব্র্যাকটটি তাই না, শূন্য অবস্থান।
যখন বিভিন্ন চাপ প্রয়োগ করা হয় (সাধারণত উচ্চ-চাপের প্রান্তটি নিম্নচাপের শেষের চেয়ে বেশি হয়) , তখন অস্থাবর সমর্থনে অভিনয় করা দুটি বোর্দন টিউবগুলির শক্তি সমান নয়, যাতে যথাক্রমে সংশ্লিষ্ট স্থানচ্যুতি উত্পন্ন হয়, এবং গিয়ার সংক্রমণ প্রক্রিয়াটি চালিত এবং প্রশস্ত করা হয় এবং পোকারটি ত্রুটিযুক্ত হওয়ার পরে নির্দেশিত হয়।
◆ সতর্কতা:
1। দ্য যন্ত্রটি পরিমাপের পয়েন্টের মতো একই স্তরে এমন একটি অবস্থানে উল্লম্বভাবে ইনস্টল করা উচিত, অন্যথায় তরল স্তরের পার্থক্যের কারণে সৃষ্ট অতিরিক্ত ত্রুটিটি অবশ্যই বিবেচনায় নেওয়া উচিত।
2 । উপকরণ সংযোগকারী "এর সাথে চিহ্নিত" এইচ "বা" "উচ্চ-ভোল্টেজের শেষ, এবং একটির সাথে চিহ্নিত" এল "বা" - "হ'ল লো-ভোল্টেজ শেষ, যা ইনস্টলেশন চলাকালীন বিপরীত করা যায় না।
3 । যখন যন্ত্রটি ডিফারেনশিয়াল চাপকে পরিমাপ করে, তখন ডিফারেনশিয়াল চাপের মানটি ব্যবহার করা যেতে পারে 75% স্কেল সীমার উপরের সীমাটির এবং সিস্টেমের সর্বাধিক স্ট্যাটিক চাপ মানটি উপকরণ দ্বারা নির্দিষ্ট করা সর্বাধিক স্ট্যাটিক চাপ মান অতিক্রম করা উচিত নয়।
4. চিত্র হিসাবে দেখানো হয়েছে 4 , ভারসাম্য (সুরক্ষা) ভালভ (ভালভ 1 ) ইনস্টলেশন চলাকালীন যন্ত্রের উচ্চ এবং নিম্নচাপ ইনপুট পোর্টগুলির সামনে সেট করা উচিত এবং এটি খোলা অবস্থানে থাকা উচিত এবং ভালভের পরে ব্যালেন্স ভালভটি বন্ধ করা উচিত 2 এবং ভালভ 3 সব খোলা আছে।
5 । ব্যবহারের আগে, যন্ত্রটি পরিমাপ করা মাধ্যমের কারণে ক্ষয়ের ডিগ্রি সাবধানতার সাথে যাচাই করা উচিত, যাতে বোর্দন টিউবটিতে প্রাথমিক জারা ক্ষতির কারণ না হয়।
◆ অর্ডার নির্দেশাবলী:
যন্ত্রটি অর্ডার করার সময়, ব্যবহারকারীকে অবশ্যই নির্দেশ করতে হবে:
1. মডেল এবং নাম, ডিফারেনশিয়াল চাপের পরিসীমা, সর্বাধিক স্ট্যাটিক চাপ, পরিমাপের একক, নির্ভুলতার স্তর;
2. ফিটিং এবং বোর্দন টিউব উপাদান;
3. যৌথ থ্রেড আকার: প্রচলিত এম 20 × 1.5 , এনপিটি 1/2 (বা গ্রাহকের উপাধি);
4. দ্রষ্টব্য: তিনটি ভালভ গ্রুপ ব্যবহারকারীদের পক্ষে কাস্টমাইজ করা যেতে পারে (ভালভ 1 ~ 3 চিত্রে 4 )