◆ মডেল: YJY100 YJY150
◆ ব্যবহার: পরম চাপ চাপকে বোঝায় যা পরম চাপ শূন্যের চেয়ে উচ্চতর চাপ শূন্য (পরম শূন্যতা) রেফারেন্স হিসাবে উচ্চতর। নিখুঁত চাপের মান নিম্নলিখিত সূত্র দ্বারা প্রকাশ করা যেতে পারে:
পরম চাপের মান = ভ্যাকুয়াম (নেতিবাচক চাপ) মান বায়ুমণ্ডলীয় চাপের মান
পরম চাপ গেজ মূলত কিছু ভ্যাকুয়াম সরঞ্জামগুলিতে নিরঙ্কুশ চাপ নিরীক্ষণ বা পরিমাপ করতে ব্যবহৃত হয় (উদাঃ ভ্যাকুয়াম প্যাকেজিং যন্ত্রপাতি, ঘনত্বের চাপ এবং তরলের বাষ্প চাপ ইত্যাদি পর্যবেক্ষণের জন্য সরঞ্জামাদি)।
◆ ওয়ার্কিং প্রেস: স্ট্যাটিক লোড পরিমাপের উপরের সীমা মানের 3/4 অবধি ব্যবহৃত হয়, এক্সচেঞ্জ লোড পরিমাপের উপরের সীমা মানের 2/3 অবধি ব্যবহৃত হয় এবং স্বল্প সময়ের চাপ পরিমাপের উপরের সীমা মান পর্যন্ত ব্যবহৃত হয়
◆ প্রযুক্তিগত পরামিতি :
| মডেল নম্বর | YJY100 | YJY150 | |
| নামমাত্র ব্যাস | Φ 100 | Φ 150 | |
| ইনস্টলেশন ফর্ম | Ⅰ | * | * |
| Ⅱ | * | * | |
| Ⅳ | * | * | |
| Ⅵ | * | * | |
| সংযোগকারী থ্রেড | এম 20 × 1.5 | ||
| নির্ভুলতা শ্রেণি | 0.4 ; 1.0 ; 1.6 ; 2.5 | ||
| পরিমাপের ব্যাপ্তি ০ এমপিএ ) | 0 ~ 0.1 0 ~ 0.16 0 ~ 0.25 0 ~ 0.4 0 ~ 0.6 0 ~ 1 0 ~ 1.6 0 ~ 2.5 0 ~ 4 0 ~ 6 0 ~ 10 | ||
| ব্যবহারের পরিবেশগত শর্ত | টেম্প : -40 ℃~ 70 ℃ (নির্ভুলতা শ্রেণি : 0.4 ) -50 ℃~ 160 ℃ (নির্ভুলতা শ্রেণি : 1.0 ~ 2.5 ) আপেক্ষিক আর্দ্রতা : ≦ 80 % | ||
| কম্পন রেটিং | V · এইচ · 2 ; V · এইচ · 3 | ||
| সুরক্ষা শ্রেণি | আইপি 65 | ||
| বাস্তবায়ন মান | | ||
| দ্রষ্টব্য: 1। যৌথ থ্রেডগুলি ব্যবহারকারীর প্রয়োজনীয়তা অনুসারে কাস্টমাইজ করা যায় | |||
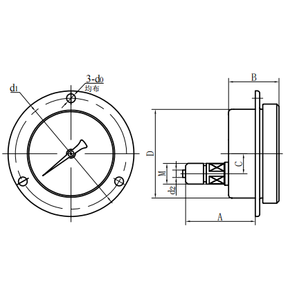
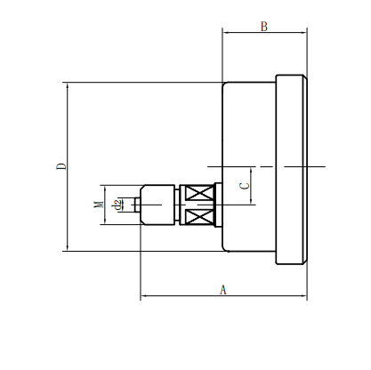
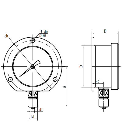
◆ বাহ্যিক মাত্রা:
|
রেডিয়াল ডাইরেক্ট টাইপ (ⅰ) | অক্ষীয় এক্সেন্ট্রিক ডাইরেক্ট টাইপ (ⅱ) |
| অক্ষীয় কেন্দ্রীভূত সরাসরি প্রকার (iii) | অক্ষীয় এক্সেন্ট্রিক সন্নিবেশ প্রকার (iv) |
| মডেল নম্বর | সামগ্রিক মাত্রা ( মিমি ) | |||||||
| ক | খ | গ | ডি | ডি 0 | ডি 1 | ডি 2 | মি | |
| YJY100 -Ⅰ | 90 | 48 | 15 | Φ 100 | / | / | Φ 6 | এম 20 × 1.5 |
| YJY100 -Ⅱ | 83 | 44 | 34 | Φ 100 | / | / | Φ 6 | এম 20 × 1.5 |
| YJY100 -Ⅳ | 68 | 44 | 34 | Φ 100 | Φ 6 | Φ 118 | Φ 6 | এম 20 × 1.5 |
| YJY100 -Ⅵ | 90 | 48 | 15 | Φ 100 | Φ 6 | Φ 118 | Φ 6 | এম 20 × 1.5 |
| YJY150 -Ⅰ | 117 | 51 | 16.5 | Φ 150 | / | / | Φ 6 | এম 20 × 1.5 |
| YJY150 -Ⅱ | 92 | 52 | 55 | Φ 150 | / | / | Φ 6 | এম 20 × 1.5 |
| YJY150 -Ⅳ | 69 | 52 | 55 | Φ 150 | Φ 6 | Φ 165 | Φ 6 | এম 20 × 1.5 |
| YJY150 -Ⅵ | 117 | 53 | 28 | Φ 150 | Φ 6 | Φ 165 | Φ 6 | এম 20 × 1.5 |
























