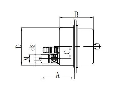
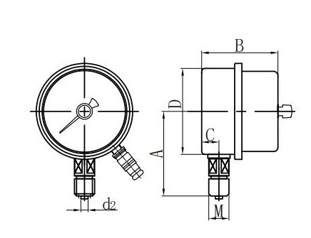
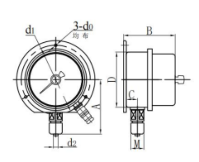
◆ মডেল: Yxch100 yxch150
◆ অ্যাপ্লিকেশন: এই ধরণের যন্ত্রটি বিস্ফোরণ বিপত্তি ছাড়াই তরল, গ্যাস বা বাষ্পের চাপ পরিমাপ করার জন্য উপযুক্ত, কোনও স্ফটিককরণ, কোনও দৃ ification ়তা এবং তামা এবং তামা মিশ্রণের উপর কোনও ক্ষয়কারী প্রভাব নেই। যখন এটি একটি উপযুক্ত সার্কিট সিস্টেমের সাথে সজ্জিত থাকে, তখন এটি পরিমাপ ও নিয়ন্ত্রিত হওয়ার জন্য চাপ সিস্টেমে একটি অ্যালার্ম বা স্বয়ংক্রিয় নিয়ন্ত্রণ প্রেরণ করতে পারে।
◆ যদি এটি একটি শকপ্রুফ টাইপ প্রেসার গেজ তৈরি করা প্রয়োজন হয় তবে এটি গ্লিসারিন বা সিলিকন তেল দিয়ে পূর্ণ হতে পারে


















