◆ মডেল: y¨-ml y¨-mf y¨-mg y¨-mz y¨-mk y¨-mn y¨-ms
◆ অ্যাপ্লিকেশন: অপ্রত্যক্ষ পরিমাপ কাঠামোর কারণে ডায়াফ্রাম চাপ গেজ উচ্চ সান্দ্রতা সহ তরল, গ্যাস বা দানাদার প্রবাহিত সলিডগুলির চাপ পরিমাপের জন্য উপযুক্ত, স্ফটিককরণ সহজ, শক্তিশালী জারা এবং উচ্চ তাপমাত্রা সহ। বিচ্ছিন্নতা ডায়াফ্রামটিতে বিভিন্ন বিভিন্ন ক্ষয়কারী মিডিয়াগুলির সাথে খাপ খাইয়ে নেওয়ার জন্য বিভিন্ন ধরণের উপকরণ রয়েছে।
এই যন্ত্রগুলি মূলত রাসায়নিক ফাইবার, সিন্থেটিক ফাইবার, পেট্রোলিয়াম, ডাইং, ক্ষার, অ্যাসিড, খাদ্য, medicine ষধ, নির্মাণ, খনন, গন্ধ এবং অন্যান্য শিল্পগুলিতে ব্যবহৃত হয়।
এই ধরণের উপকরণের গেজ হেডটি বিভিন্ন সিরিজে ব্যবহার করা যেতে পারে: সাধারণ চাপ গেজ, শক-প্রতিরোধী চাপ গেজ, বিভিন্ন বৈদ্যুতিক যোগাযোগের চাপ গেজ, বিভিন্ন ধরণের শক-প্রতিরোধী বৈদ্যুতিক যোগাযোগের চাপ গেজ, চাপ ট্রান্সমিটার, রিমোট প্রেসার গেজ, প্রেসার কন্ট্রোলার এবং আরও অনেক কিছু।
◆ কাঠামো নীতি:
এই যন্ত্রটি পরোক্ষ পরিমাপ। বিচ্ছিন্নতা ডায়াফ্রাম বিকৃতি পরিমাপ করা মাধ্যমের চাপের অধীনে, সিলিং তরলটি চাপ দেওয়া হয় এবং চাপটি চাপে প্রেরণ করা হয়।
সিলিং তরলটি চাপ দেওয়া হয়, এবং চাপটি সনাক্তকরণ উপকরণে পরিচালিত হয়, যা পরিমাপ করা মাঝারি চাপের মান দেখায়
◆ প্রযুক্তিগত পরামিতি :
| মিটার হেড মডেল | বিভিন্ন ধরণের চাপ যন্ত্র, চাপ ট্রান্সমিটার, চাপ নিয়ন্ত্রণকারী ইত্যাদি etc. | |||
| নির্ভুলতা শ্রেণি | 1.6 ; 2.5 | |||
| নির্ভুলতা শ্রেণি ০ এমপিএ ) | 0 ~ 0.1 0 ~ 0.16 0 ~ 0.25 0 ~ 0.4 0 ~ 0.6 0 ~ 1 0 ~ 1.6 0 ~ 2.5 0 ~ 4 0 ~ 6 0 ~ 10 0 ~ 16 0 ~ 25 0 ~ 40 | |||
| ডায়াফ্রাম উপাদান | ডাকনাম | উপাদান | ডাকনাম | উপাদান |
| 1 | 0cr18ni12mo2 | 5 | তাড়াতাড়ি সি (এইচ 276 সি) | |
| 2 | Sus304 | 6 | মনেল অ্যালোয় (Cu30ni70) | |
| 3 | SUS316 | 7 | ট্যান্টালাম (টিএ) | |
| 4 | SUS316L | 8 | ফ্লুরোপ্লাস্টিক (পিটিএফই) | |
| বিচ্ছিন্ন উপাদান | 1cr18ni9; 304; 316; 316L; এফ 4; পিভিসি, ইত্যাদি | |||
| সিলিং গ্যাসকেট উপাদান | এনবিআর; মেডিকেল সিলিকন রাবার; পিটিএফই; গ্রাফাইট; ফ্লুরোলাস্টোমার; ইত্যাদি | |||
| পরিবাহিতা তরল পূরণ | মিথাইল সিলিকন তেল, উদ্ভিজ্জ তেল, গ্লিসারিন, ফ্লুরিনেটেড তেল ইত্যাদি ইত্যাদি | |||
| তাপমাত্রা প্রভাব | যেহেতু পরিবাহী তরলটির তাপীয় প্রসারণ এবং ডায়াফ্রামের অনমনীয়তা তাপমাত্রার সাথে সম্পর্কিত, অপারেটিং তাপমাত্রা 20 ± 5 ডিগ্রি সেন্টিগ্রেড থেকে বিচ্যুত হলে ত্রুটির মান 0.1%/° C হয়। | |||
| জারা সুরক্ষা | এই পারফরম্যান্সের মধ্যে পরিবেশের জারা বৈশিষ্ট্য এবং পরিমাপের মাধ্যম অন্তর্ভুক্ত রয়েছে এবং ব্যবহারের শর্তাবলী অনুসারে বিচ্ছিন্নতা, ডায়াফ্রাম শীট এবং সিলিং ওয়াশারের উপাদান নির্বাচন করা যেতে পারে। | |||
| স্তর পার্থক্য | ইনস্টলেশনটিতে পায়ের পাতার মোজাবিশেষ সংযুক্ত ডায়াফ্রাম চাপ গেজ যদি পরিমাপের পয়েন্ট এবং চাপ গেজ বিভিন্ন উচ্চতায় থাকে তবে চাপের পার্থক্য দ্বারা উত্পন্ন এর তরল স্তরের পার্থক্য △ পি যন্ত্রের পরিমাপকৃত মানকে প্রভাবিত করবে, সূত্রটি হ'ল: △ পি = সিলিং তরল × তরল স্তরের পার্থক্যটির নির্দিষ্ট মাধ্যাকর্ষণ। | |||
| বাস্তবায়ন মান | জেবি/টি 8624 | |||
| দ্রষ্টব্য: 1, সংযোগকারী থ্রেড ব্যবহারকারীর প্রয়োজনীয়তা অনুযায়ী কাস্টমাইজ করা যেতে পারে; 2 、 সংযোগ ফ্ল্যাঞ্জ ব্যবহারকারীর প্রয়োজনীয়তা অনুসারে কাস্টমাইজ করা যায় ফ্ল্যাঞ্জ স্ট্যান্ডার্ড | ||||
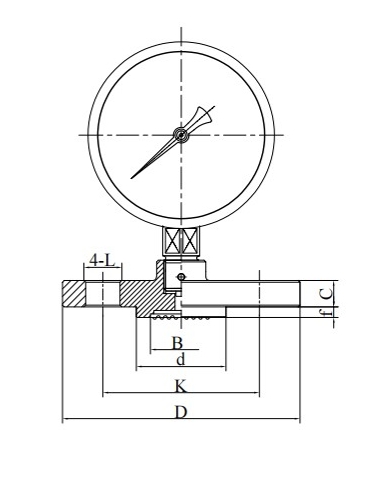
◆ বিচ্ছিন্নতার ধরণের আকার এবং ইনস্টলেশন স্কিম্যাটিক:
| (এমএল) থ্রেডেড ইন্টারফেস | (এমএফ) ওপেন ফেস ফ্ল্যাঞ্জ |
























